+86-0523-83274900
Storz-Sicherheitsgewindekupplung

Storz-Sicherheitsgewindekupplung

Die Storz-Sicherheitsgewindekupplung gehört zur Serie der Storz-Sicherheitskupplungen und besitzt an einem Ende ein Innen- oder Außengewinde, am anderen Ende eine Storz-Sicherheitskupplung.

Diese Kupplung dient zum Anschluss von Feuerwehrschläuchen an Feuerwehrausrüstung wie z. B. Feuerlöschpumpen, Schläuche oder Hydranten.

Diese Serie ist in erster Linie in großen Größen erhältlich; kleinere Größen können auf Anfrage individuell angepasst werden.

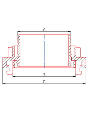
Abmessungen Ressourcen

Punkt Nr.

Din/mm

Dia

A/mm

B/mm

C/mm

/

100

4 "

M100*3

115

156

125

5 "

M125*3

148

196

150

6 "

M145*3

160

215

200

8 "

M200*4

220

280

250

10 "

M255*4

278

339

300 (3teeth)

12 "

M290*4

316

384

350

14 "

M350*4

336

448

* Materialien und Herstellungsprozesse können auf Anfrage angepasst werden.
* Andere Anforderungen (wie Arbeitsdruck, Burstdruck usw.) können bei Bedarf ebenfalls angepasst werden.

Jiangsu Jinding Fire Protection Technology Co., Ltd.

Die Jiangsu Jinding Fire Protection Technology Co., Ltd., ansässig in der Wirtschafts- und Entwicklungszone Xinghua in Jiangsu, wurde 1998 gegründet. Das Unternehmen ist ein Industriebetrieb, der Design, Entwicklung, Produktion und Vertrieb integriert. Es ist nach dem Qualitätsmanagementsystem ISO 9001:2015 zertifiziert und besitzt eine freiwillige Produktzertifizierung. Zudem haben die entsprechenden Produkte Prüfberichte des nationalen Zentrums für Qualitätsüberwachung und -prüfung von Feuerwehrausrüstungen erhalten.



Das Unternehmen produziert hauptsächlich mehrere Produkte wie Feuerkämpfe, Wasserpistolen, Feuerhydranten, Wasserrohrverbindungen mit großer Durchmesser und Wasserversorgungsverbindungen mit großem Durchmesser. Die Produkte werden in Brandbekämpfung, Erdöl, Chemikalienindustrie, Militärindustrie und anderen Bereichen häufig eingesetzt.

Jinding verfügt über eine starke unabhängige Forschungs- und Entwicklungsfähigkeit sowie über einen vollständigen Produktionsprozess, der Formenbau, Fertigung und Produkttests umfasst. Gleichzeitig legt das Unternehmen großen Wert auf Kundenbedürfnisse, erkennt Markttrends frühzeitig, entwickelt kontinuierlich neue Produkte und gewinnt so das Vertrauen und die Anerkennung neuer und bestehender Kunden.



Das Unternehmen liefert zuverlässige Produkte und professionelle Dienstleistungen auf der Grundlage von qualitativ hochwertigem Engagement und kollaborativen Partnerschaften und bemüht sich, nachhaltige kooperative Beziehungen zu Kunden aufzubauen.

27+

27 Jahre Industrie Fertigungserlebnis

Zertifikate
  • DC Water Gun QZ3.5_7.5
  • DC Spray Water Gun QLD6.0_10iii
  • DC Spray Water Gun QLD6.0 _13III
  • DC Spray Water Gun QLD6.0 _8III
  • Selbstsperrende Single-Clamp-Schnittstelle DN300
  • Interne Schnallenschnittstelle KD150
  • Interne Schnallenschnittstelle KD80Z
  • Interne Schnallenschnittstelle KD65Z
  • Interne Thread-Schnittstelle KY65-65
  • Interne Schnalle feste Rohrgewinde Grenzfläche KN65-65
  • Kassette männliche Abdeckungsschnittstelle KMK80Z
  • Männliche Abdeckungsschnittstelle vom Karten-Typ KMK65Z
Nachricht
Lassen Sie uns ein Gespräch führen
Sag einfach Hallo und wir werden eine fruchtbare Zusammenarbeit beginnen. Starten Sie Ihre eigene Erfolgsgeschichte.
Benötigen Sie Geräte für Ihr Unternehmen?
Unser Team bietet Ihnen maßgeschneiderte Lösungen.